18Y19930T8RP600 IN2005
Produktnummer:
IL18Y19930T8RP600 IN2005
Produktinformationen "18Y19930T8RP600 IN2005"
Gewindefräser 55° / 60° Z 5-6 |
||
|---|---|---|
| Geometrische Daten | ||
DIN |
Beschreibung |
Wert |
| J20 | Technische Produktnummer | 3711557 |
| J21 | Identifizierende Bestellnummer | 18Y19930T8RP600 IN2005 |
| NSM | Normnummer Sachmerkmal | DIN4000-82 |
| J3 | Firmenkennung | IL - Ingersoll |
| BLD | Bildkennung | 10 |
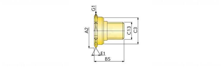
| A2 | Schneidendurchmesser 2 | 19.94 mm |
| A5 | Halsdurchmesser | 11.5 mm |
| B5 | Gesamtlänge | 12.75 mm |
| C11 | Aufnahmetyp, maschinenseitig | SAI - Schraubaufnahme ISCAR |
| C12 | Aufnahmeform, maschinenseitig | 01 - 01 |
| C13 | Aufnahmegewindenenngröße, maschinenseitig | T08 |
| C14 | Aufnahmeausführung, maschinenseitig | 0 - Metrisch |
| C15 | Aufnahmeart, maschinenseitig | 5 - Zapfen Richtung Maschine bzw. Bohrung Richtung Werkstück |
| C2 | Aufnahmegröße, maschinenseitig | 0080 |
| D11 | ISO Fräsertyp | T - Gewindefräser |
| D31 | Gewindeart | MF |
| D32 | Gewindesteigung | 2.5 mm |
| D34 | Gewindenenndurchmesser, metrisch | 25 mm |
| D7 | Masse (Gewicht) | 0.02 kg |
| DIM | Indikator für Maßsystem | 0 |
| F1 | Schneidrichtung | R - rechts |
| F21 | Anzahl wirksamer Schneiden, umfangseitig | 6 |
| F3 | Drallrichtung | N - Neutral |
| F4 | Drallwinkel | 0 Grad |
| H11 | Normbezeichnung des Schneidstoffes, Hauptanwendung | HC-M35 |
| H12 | Normbezeichnung Schneidstoff 2. Priorität der Anwendung | HC-K40 |
| H13 | Normbezeichnung Schneidstoff 3. Priorität der Anwendung | HC-P30 |
| H21 | Kühlschmierstoff-Eintritt | 0 - ohne Kühlschmierstoff-Eintritt |
| H22 | Kühlschmierstoff-Austritt | 0 - ohne Kühlschmierstoff-Austritt |
| H3 | Schneidstoffbezeichnung des Herstellers | IN2005 |
| H4 | Werkzeugausführung | H - Voll-Hartmetall |
| H5 | Beschichtung / Oberfläche | TiAIN |
| J7 | Datenträger | 0 - ohne Datenchip |
| Has3D | Generierte 3D Grafik | 1 |
| Downloads |
|---|
| DIN4000 (XML) |
| DIN4000 - Container according to DIN26100 |
| DIN4000 (CSV) |
| ISO13399 (GTC) |
| Excel DIN4000 |
| Excel (ISO13399) |
| STEP |
| DXF |