A61040
Produktnummer:
SO02904454
Produktinformationen "A61040"
A61040 |
||
|---|---|---|
| Geometrische Daten | ||
DIN |
Beschreibung |
Wert |
| J21 | Identifizierende Bestellnummer | 02904454 |
| J22 | Produktbezeichnung | A61040 |
| J3 | Firmenkennung | SO - Seco Tools |
| NSM | Normnummer Sachmerkmal | DIN4000-84 |
| BLD | Bildkennung | 9 |
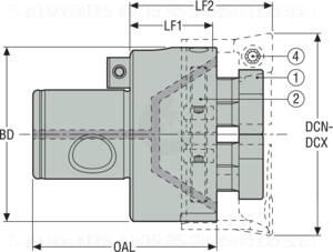
| A11 | Schneidendurchmesser, 1. Stufe min. | 50 mm |
| A12 | Schneidendurchmesser, max. | 65 mm |
| A63 | Körperdurchmesser, max. | 43 mm |
| B5 | Gesamtlänge | 45.5 mm |
| B71 | Funktionslänge | 215 mm |
| D6 | Maximale Drehzahl | 5700 1/min |
| D7 | Gewicht (Masse) | 0.338 kg |
| J7 | Datenträger | 0 - ohne Datenchip |
| J8 | Bearbeitungsverfahren | - |
| C11 | Typ | |
| C2 | Größe | |
| C12 | Form | |
| C14 | Ausführung | |
| C15 | Art | |
| C3 | Durchmesser | mm |
| Downloads |
|---|
| DIN4000 (XML) |
| DIN4000 - Container according to DIN26100 |
| DIN4000 (CSV) |
| ISO13399 (GTC) |
| Excel DIN4000 |
| Excel (ISO13399) |
| STEP |
| DXF |